Home » News » Products » Analogue / Linear / Mixed Signal ICs (page 5)

Analogue / Linear / Mixed Signal ICs

The latest Electronics Weekly product news on analogue, linear and mixed-signal ICs.

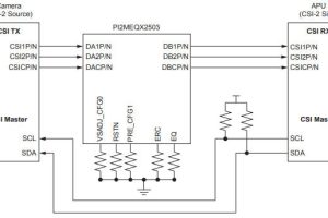
1.8V 2.5Gbit/s MIPI D-PHY 1.2 repeater boosts data and clock

Diodes PI2MEQX2503 MIPI repeater

Diodes has released a 2.5Gbit/s MIPI D-PHY 1.2 compliant signal repeater for high pixel-count cameras. PI2MEQX2503 regenerates and equalises two data lanes and a single clock. It “compensates for PCB, connector, cable and switching-related losses”, said the company, and “enables optimum electrical performance from a CSI2 source to a DSI sink”. Active, it consumes 120mW, then it has 5 and ...

Dual precision op-amp for automotive sensor signal conditioning

ST TSB182 automotive precision opamp

ST has created a dual precision op-amp for automotive sensor signal conditioning, with 20µV input offset voltage and 100nV/°C drift, and operation over 4 to 36V and -40 to 125°C. Input common mode range for TSB182, as it will be known, is from its negative rail to within 2V of its positive rail, and the output is rail-to-rail. Maximum offset ...

Automotive companion chip gives an MCU power, a CAN transceiver, and more

ST SPSB0815 SPSB0813 automotive psus block

STMicroelectronics has combined two LDOs, a CAN FD transceiver, four PWM-able high-side switches, a watchdog timer and a LIN transceiver into a single automotive-grade power IC. Called SPSB081, its aim is to provide a companion microcontroller with power, two serial interface transceivers, battery-voltage high-side load drivers and power for its peripherals. There are four devices giving 5V or 3.3V from ...

220V 16 pole analogue switch aimed at piezoelectric transducers

TI TMUX 9616 220V analogue switch

Texas Instruments has announced a 220V (or ±110V) analogue switch with 16 channel of single-throw switching. It has logic-level (1.8 to 5V) control inputs, with thresholds set by the separate 1.7 to 5.5V logic supply, and needs at least 40V across its switch supply pins (0V and +40V, or ±20V, for example) to operate. Absolute max for the controlled signal ...

MEMS oscillator hits ±1ppb stability for 5G basestation hold-over

SiTime mems OCXO

SiTime has used MEMS instead of quartz crystals to make an oven-controlled oscillator with ±1ppb frequency stability and ±0.02ppb/°C frequency slope – all on a 9 x 7 footprint, including the oven. “No further thermal precautions are needed, additional covers are not needed,” the company told Electronics Weekly. “The physical footprint is 9 x 7 x 3.73mm, and the device ...

TI takes the ‘opto’ out of opto-isolators with all-electronic replacement

TI opto-emulator

Texas Instruments has added an analogue version of the non-optical replacement for digital opto-isolators it just revealed. Called ‘opto-emulators’, both analogue and digital versions replace the LED and photo-diode or photo-transistor within a conventional opto-isolator with an SiO2 barrier across which the a modulated version of the input signal is passed – probably magnetically (Electronics Weekly has requested clarification). The ...

Sponsored Content: Cutting-edge Semiconductors

nl6012_web-300x200.png

Unleash the Power of Innovation with Industrial Semiconductors from Profusion Ltd. Profusion Ltd is a specialist semiconductor distributor that has supplied the audio industry for nearly 35 years, forging close ties with global partners who design and manufacture a wide range of state-of-the-art components. Many of these parts have a much broader application base than audio, with considerable potential for ...

Toshiba expands multi-point over-temperature detection IC family

Toshiba Thermoflagger temperature alarm app

Toshiba has released the promised expansion of its TCTH0xxxE multi-point over-temperature alarm IC family. Each of these simple ICs, (branded ‘Thermoflagger’) works with one or more PTC (positive temperature coefficient) thermistors to detect over temperature across a PCB, for example, perhaps sensing the individual temperatures of multiple power mosfets . “With safety paramount in many applications, the over-temperature detection ICs ...

More on: Navitas 4th generation protected GaN power with integrated drivers

Navitas GaNsafe block

Navitas recently announced its fourth generation of GaN power transistors with monolithically-integrated gate drivers. Branded GaNsafe, the company has increased the protection integrated alongside the driver and has moved to 10 x 10mm TOLL packaging, with a custom internal leadframe (diagram below). The initial products are rated at 650V (800V transients), cover Rds(on) from 35 to 98mΩ (table below), and ...

3A LDO regulates to ±1% across line, load and temperature

Diodes AP7179D ldo

Diodes has released a 3A low-dropout low-noise voltage regulator. Called AP7179D, it has ±1% output accuracy (Vin = Vout + 300mV) across line, load and temperature, according to the company, and it drops 180mV (maximum) with 3A of load. Its low-noise reference and error amplifier contribute to 4.4µVrms typical operation at 800mV output (7μVrms at 5V), and PSSR (power supply ...